Ozon İçin Polivinil Ester Kaplanmış Kum Filtreleri
Polivinil Ester Kaplanmış Kum Filtreleri
Ürün Açıklaması
NOZBART Ozon Kum Filtreleri
- Özel kollektör sistemi ile sağlıklı filtreleme
- Maksimum 2 BAR kullanım ve 4 BAR Test basıncı
- Gözetleme camlı ve camsız modeller
- Hava tahliye vanalı ve manometreli
- U-PVC boru ve fittingsler
- EPDM contalar ve tümüyle paslanmaz civatalar
{Ø400 - Ø500 - Ø620 - Ø760 - Ø 820 - Ø 920}
- DN 240 giriş çaplı geniş üst kapak
- Fiyatlarına altı yollu vana dahil, kum hariçtir.
{Ø1050 - Ø1250 - Ø1400 - Ø1600 - Ø1800 - Ø2000 - Ø2350}
- DN 400 giriş çaplı geniş üst kapak ve menhol kapağı
- Fiyatlarına altı yollu vana ve kum hariçtir.
{Ø2000 - Ø2350}
- Fiyatlarına çiftli manometre aparatı dahildir.


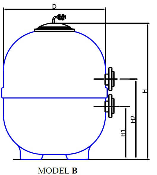
| Model (ØD) | 50 (m³/h) | 40 (m³/h | 30 (m³/h) | KOD | İnce Kum (kg) | Orta kum (kg) | Çakıl (kg) | Model | H (cm) | H1 (cm) | H2 (cm) | Bağlantı (mm) |
|---|---|---|---|---|---|---|---|---|---|---|---|---|
| 400 mm | 6 | 5 | 4 | FLO-040 | 30 | - | 15 | A | 62 | 21 | 37 | 50 |
| 500 mm | 10 | 8 | 6 | FLO-050 | 60 | - | 30 | A | 63 | 21 | 37 | 50 |
| 620 mm | 15 | 12 | 9 | FLO-062 | 90 | - | 50 | A | 80 | 27,5 | 46 | 50 |
| 760 mm | 22 | 18 | 14 | FLO-076 | 180 | - | 125 | A | 92 | 32 | 49 | 63 |
| 820 mm | 26 | 21 | 16 | FLO-082 | 200 | - | 125 | A | 103 | 36 | 66,5 | 63 |
| 920 mm | 33 | 26 | 20 | FLO-092 | 330 | - | 200 | A | 115 | 41 | 63 | 63 |
| 1050 mm | 43 | 34 | 26 | FLO-105 | 590 | - | 300 | B | 120 | 40,5 | 79 | 90 |
| 1250 mm | 61 | 48 | 36 | FLO-125 | 500 | 500 | 375 | B | 146 | 33,5 | 95 | 90 |
| 1400 mm | 77 | 62 | 47 | FLO-140 | 625 | 625 | 550 | B | 153 | 42 | 89 | 110 |
| 1600 mm | 100 | 80 | 60 | FLO-160 | 1000 | 1000 | 725 | B | 172 | 54 | 105 | 110 |
| 1800 mm | 127 | 101 | 76 | FLO-180 | 1300 | 1300 | 900 | B | 180 | 55 | 110 | 160 |
| 2000 mm | 157 | 126 | 94 | FLO-200 | 1850 | 1850 | 1250 | B | 180 | 54,5 | 122,5 | 160 |
| 2350 mm | 216 | 173 | 130 | FLO-235 | 3600 | 3600 | 1350 | B | 236 | 68,5 | 156 | 200 |